Manitou Wiring Diagrams

Download Manitou 526 Turbo Service Manual

Download Manitou 526 Turbo Service Manual

Manitou Mlt 634 120 Lsu B E2 Set Of Pdf Manuals

Manitou Mlt 634 120 Lsu B E2 Set Of Pdf Manuals

Manitou M50 4t Service Manual Auto Repair Manual Forum Heavy

Manitou M50 4t Service Manual Auto Repair Manual Forum Heavy

Manitou Mvt 1130l 1340l Repair Manual Auto Repair Manual Forum

Manitou Mvt 1130l 1340l Repair Manual Auto Repair Manual Forum

Manitou Telehandler Mt1840 Workshop Service Manual Pdf

Manitou Telehandler Mt1840 Workshop Service Manual Pdf

Oh 7059 Reliance Industrial Motor Diagram Free Download Wiring

Oh 7059 Reliance Industrial Motor Diagram Free Download Wiring

Oh 7059 Reliance Industrial Motor Diagram Free Download Wiring

Pdf parts manual includes spare parts and accessories information pictures and diagrams for forklifts manitou mt series.

Manitou wiring diagrams. These manuals provide detailed information on repair and maintenance procedures. Manitou forklift trucks parts service operator manuals manitou parts and service manuals mhh auto page 1 manitou service manuals and parts catalogs instant download manitou forklift service manuals and spare parts catalogs suspension fork parts manuals manitou forklift ma460 ma470 pd parts manuals. If you don t see any interesting for you use our search form on bottom. The history of manitou began in 1958 it was then that the founder of the manitou concern marcel bro used an engineering solution that was quite extraordinary for that time attaching a lifting mast to an agricultural tractor and he created the first manitou mast lift with off road capability.

Ap3694 2011 shocks new manitou. Wiring diagrams are available for some captain stands. Looking for wiring diagrams to deal with some small issues with a mlt 741 120. On this page you can read or download manitou 731 wiring diagram in pdf format.

Dear sir madam we have perchased used zoomlion truck mounted concrete pump from china and it s model is zlj5417thb52x 6rz series number 016183012209 and model of chassis is cyh51y. 2007 manitou mt series parts catalog pdf. 02 05 2019 04 32 pm andyrelj wrote. Where can i find oem quality boat wiring for my pontoon.

This set includes service workshop and operator information service bulletins operating instructions circuits and diagrams troubleshoot information intended to improve the level of service of manitou mlt 634 120 lsu b e2. Has anyone got a wiring diagram for a manitou msi30 s n 3895012. Related products for manitou mrt series parts catalogue manual pdf. Middlesex united kingdom service life of a.

90 06 2005 manitou mlt 630 120 lsu sb e2 service repair manual pdf. With kindly regards kumlachew ali hussien mechanical engineer. Mobile friendly 4 english manitou rear shocks this manual is designed as a comprehensive guide for all manitou rear. We don t have the operation and maintenance manual of the truck mounted concrete pump.

Hi all does anybody have access to manitou manuals. Some manitou forklift truck manuals brochures pdf are above the page. Looking for a schematic of the charging system.

Manitou Forklift Service Manuals

Manitou Forklift Service Manuals

Auto Repair Manuals Manitou Mlt 731 Turbo Slu Sb E2 Service Manual

Auto Repair Manuals Manitou Mlt 731 Turbo Slu Sb E2 Service Manual

Manitou Operator Parts Service Manual

Manitou Operator Parts Service Manual

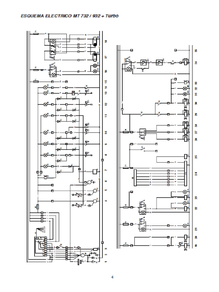
Esquemas Electricos Manitou Mt732

Esquemas Electricos Manitou Mt732

Boat Wiring Diagram With Images Boat Wiring Boat Restoration

Boat Wiring Diagram With Images Boat Wiring Boat Restoration

Manitou Service Manual 2006

Manitou Service Manual 2006

Manitou Forklift Cd15p Cd35p Cg15p Cg35p Spare Parts

Manitou Forklift Cd15p Cd35p Cg15p Cg35p Spare Parts

Manitou Parts Catalog Youtube

Manitou Parts Catalog Youtube

Manitou Mc30 70 M26 50 Parts Catalogue Parts Catalog Catalog

Manitou Mc30 70 M26 50 Parts Catalogue Parts Catalog Catalog

A98 Service Manual For Manitou 1740 Wiring Library

A98 Service Manual For Manitou 1740 Wiring Library

Manitou Lost Drive The Farming Forum

Manitou Lost Drive The Farming Forum

Wa 8766 Forklift Parts Diagram Furthermore Electric Forklift

Wa 8766 Forklift Parts Diagram Furthermore Electric Forklift

Manitou Mlt 731 Turbo Series B E2 Service Manual Pdf

Manitou Mlt 731 Turbo Series B E2 Service Manual Pdf

Manitou Maniscopic Telescopic Handler Mlt 526 Turbo Compact

Manitou Maniscopic Telescopic Handler Mlt 526 Turbo Compact

Source : google.com

Random Posts